[DKST 57.02] 7. Подключение внешних датчиков и исполнительных устройств.
Категорически запрещается подключать датчики и внешние модули к устройствам NetPing при включенном питании! |
Конфигурирование устройства и получение уведомлений от датчиков см. в документе «Описание встроенного ПО». |
Подключаемые датчики и исполнительные механизмы:
Данное устройство поддерживает подключение следующего оборудования:
Датчики модельного ряда 1-Wire;
Датчики типа "Сухой контакт";
Двухпроводные датчики;
Исполнительные устройства.
Датчики модельного ряда 1-Wire
Датчики и аксессуары модельного ряда 1-Wire (термодатчик 1-Wire, (THS), 2м, датчик влажности 1-Wire, (HS), 2м, включаются в разъёмы 1W вилками RJ12 с возможностью использования удлинителей и разветвителей. Максимальная длина шлейфа 1-Wire сети на одну пару разъемов (нижний + верхний) ограничена 50 метрами. Пары разъемов изолированы. Общую длину на пару разъемов можно увеличить при помощи удлинителя-разветвителя R912 до 300 метров.
Датчики типа «сухого контакта»
К датчикам типа «сухой контакт» относятся датчики открытия двери, кнопки и другие датчики, принцип действия которых основан на замыкании/размыкании проводника. Датчик подключается двумя проводами к INPUT линии устройства в соответствии с таблицей. Порядок подключения проводов не имеет значения.
Шлейф | Клемма |
Первый провод | Одна из INPUT линий – 1 - 16 |
Второй провод | GND |
Важно! Датчики типа «сухой контакт»: датчик наличия 220В, датчик протечки и другие подключаются к INPUT линиям устройства. Вы можете подключить 16 любых датчиков из этого набора.
Длина и сечение шлейфа от датчика до устройства рассчитывается с учетом величины падения напряжения для удовлетворения требования к входам INPUT 1-16:
уровень логической "1" не менее 8,3 В;
уровень логического "0" не более 3,7 В.
При необходимости, длину родного шлейфа можно нарастить удлинителем шлейфа датчика RС, 4м. Или самостоятельно при помощи любого провода с сечением не менее 0,4 мм2.
Внимание
При превышении длины кабельных линий более 100м необходимо учитывать помеховую обстановку в месте укладки, а также производить монтажные работы согласно действующих ПУЭ и стандартов МЭК при укладке сигнальных и информационных линий для предотвращения повреждений от грозы или электрических наводок электромагнитными полями.
Неверная укладка больших расстояний кабельных линий может привести к случайным срабатываниям датчика и повреждению контроллера.
Двухпроводные датчики
Датчики и иные источники сигнала, которым не требуется доп. питание или они питаются от иных источников, и оно развязано с сигнальной линией, подключаются к клеммам INPUT и GND устройства. Полярность подключения важна, если иное прямо не указано в документации к датчику.
Среди ассортимента компании ООО «Алентис Электроникс» к таким датчикам относятся:
NetPing датчик наличия электропитания 995S1 (у датчика выведены Н.З. и Н.О. контакты (всего 3 провода) — подробней см. в документации на датчик);
Адаптер для датчика протечки NetPing, мод. WA875
Адаптер не является самостоятельным устройством. Он предназначен для работы совместно с чувствительным кабелем WLC10.
Количество подключаемых адаптеров для датчика протечки NetPing, мод. WA875 ограничено свободными Input-линиями устройства. При подключении ориентируйтесь на цвет термоусадочной трубки на конце провода.
Цветной шлейф | Название контакта |
|---|---|
Черный | GND |
Красный | +12V |
Желтый | Одна из IN линий 1–16 |
При подключении адаптера:
"1" — норма;
"0" — тревога.
Адаптер идет в комплекте с 2-метровым соединительным кабелем. Длину кабеля можно увеличить при помощи удлинителей шлейфа датчика RC-4, которые последовательно включаются друг в друга, или самостоятельно при помощи любого провода с сечением не менее 0,4 мм2. Максимально допустимая длина шлейфа 100 метров.

Способ подключения адаптера к кабелю протечки WLC10
Датчик протечки воды H2O
Датчик протечки подключается четырёхпроводной линией в соответствии с таблицей:
Цветной шлейф | Клемма |
Зелёный | Одна из IN линий 1–16 |
Жёлтый | GND |
Коричневый | +5V |
Белый | GND |
Важно! Датчики типа «сухой контакт»: датчик наличия 220В, датчик протечки и другие подключаются к INPUT линиям устройства. Вы можете подключить 16 любых датчиков из этого набора. |
Датчик идёт в комплекте с несъёмным кабелем с наконечниками на концах. Длину кабеля можно увеличить при помощи удлинителей шлейфа датчика RC-4, которые последовательно включаются друг в друга или самостоятельно при помощи любого провода с сечением не менее 0,4 мм2. Максимально допустимая длина шлейфа 100 метров.
Датчик наличия электропитания 995S1
Датчик наличия 220В подключается трехпроводной линией в соответствии с таблицей.

Цветной шлейф | Клемма |
Черный (общий) | GND |
Красный (Н.З.) | Одна из IN линий – 1 - 16 |
Белый (Н.О.) | Одна из IN линий – 1 - 16 |
Важно! Датчики типа «сухой контакт»: датчик наличия 220В, датчик протечки и другие подключаются к IN линиям устройства. Вы можете подключить 16 любых датчиков из этого набора. |
Датчик идёт в комплекте с несъёмным кабелем с наконечниками на концах. Длину кабеля можно увеличить при помощи удлинителей шлейфа датчика RC-4, которые последовательно включаются друг в друга или самостоятельно при помощи любого провода с сечением не менее 0,4 мм2. Максимально допустимая длина шлейфа 100 метров.
Датчики движения Пирон-4Д
Датчик движения подключается четырёхпроводной линией в соответствии с таблицей:
Цветной шлейф | Клемма Пирон-4Д (слева направо при вертикальном расположении сенсором вниз) | Клемма контроллера |
Зеленый | Alarm - 1 | IN1 |
Белый | Alarm - 2 | GND |
Черный | -12 V | GND |
Красный | +12 V | +12 V |
Важно! Количество подключаемых датчиков — не более 12 шт.

Датчик идёт в комплекте с кабелем с наконечниками на концах. Длину кабеля можно увеличить при помощи удлинителей шлейфа датчика RC-4, которые последовательно включаются друг в друга или самостоятельно при помощи любого провода с сечением не менее 0,4 мм2. Максимально допустимая длина шлейфа 100 метров.
Внешние розетки NetPing AC/DIN
Количество подключаемых розеток NetPing AC/DIN ограничено только количеством свободных линий OUT и RELAYS.
При подключении розетки к устройству задействованы все провода, кроме коричневого (белого). При состоянии «лог. 0» на OUT линии на розетке будет присутствовать 220 В – нагрузка будет включена. При состоянии «лог. 1» на OUT линии розетка будет обесточена, нагрузка будет отключена.
Важно! Коричневый (белый) провод не используется и должен остаться неподключённым!
Управление от OUT линии:
Цветной шлейф | Клемма |
Красный | +5V |
Чёрный | GND |
Синий (зелёный) | Одна из OUT линий – 1 - 4 |
Управление от RELAYS (НР - нормально разомкнутый контакт, НЗ - нормально замкнутый контакт):
Цветной шлейф | Клемма |
Красный | +5V |
Чёрный | GND |
Синий (зелёный) | Средний контакт клеммника «Relay» |
Дополнительным проводом клемма «+5V» подключается к нормально разомкнутому контакту реле (левая клемма в клеммнике «Relays») |
При подключении NetPing AC/DIN к реле:
RELAY "Вкл" - напряжение отсутствует на розетке;
RELAY "Выкл" - напряжение имеется на розетке
Для коммутации нагрузки в NetPing AC/DIN используется реле с нормально замкнутыми контактами. Это означает, что, если управляющий провод никуда не подключён, 220В будет присутствовать на розетке, и нагрузка будет включена.
Датчик идёт в комплекте с несъёмным кабелем с наконечниками на концах. Длину кабеля можно увеличить при помощи удлинителей шлейфа датчика RC-4, которые последовательно включаются друг в друга или самостоятельно при помощи любого провода с сечением не менее 0,4 мм2. Максимально допустимая длина шлейфа 100 метров.
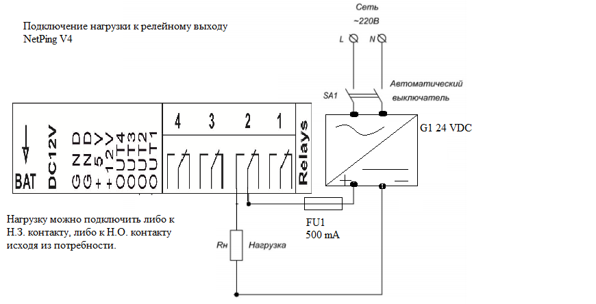
Внешние нагрузки для RELAYS
Релейные выходы имеют гальваническую развязку и способны включать индуктивную нагрузку без вреда для внутренних компонентов
Важно!!! Во избежании повреждения устройства подключаемая нагрузка на контакты электромеханического реле не должна превышать 24VDC 500мА, 24VAC 1А. В случае порчи компонентов устройства из-за нарушения данного требования производитель в праве отказать в гарантийных обязательствах. |

К среднему контакту Relays подключается управляющее напряжение не более 24 В и исходя из потребностей нагрузка подключается либо к NO, либо NC контакту с обязательным требованием к величине тока (24VDC 500мА, 24VAC 1А).
Сирена АС-10
Цветной шлейф | Клемма |
Белый | Одна из OUT линий – 1 - 4 (в режиме «выход», лог. 1) |
Цветной | GND |
Логический уровень на линии OUT, используемой для питания, будет управлять работой сирены. При лог. 1 — сирена активна, при лог. 0 — сирена выключена.

Так же, сирена может быть подключена через реле — что сэкономит линию вывода.

Датчик идёт в комплекте с несъёмным кабелем с наконечниками на концах. Длину кабеля можно увеличить при помощи удлинителей шлейфа датчика RC-4, которые последовательно включаются друг в друга или самостоятельно при помощи любого провода с сечением не менее 0,4 мм2. Максимально допустимая длина шлейфа 100 метров.
Датчик воздушного потока (модель АМС520)
Датчик представляет собой «сухой контакт», поэтому порядок подключения проводов не имеет значения. Количество подключаемых датчиков ограничено только количеством свободных линий IN.
Шлейф | Клемма |
Первый провод | Одна из IN линий – 1 - 16 |
Второй провод | GND |
В зависимости от того, к какому входу (IN1-IN16) на клеммной колодке подключён датчик, на том канале IN1-IN16 он отображается в web-интерфейсе устройства. |
Датчик идёт в комплекте с несъёмным кабелем с наконечниками на концах. Длину кабеля можно увеличить при помощи удлинителей шлейфа датчика RC-4, которые последовательно включаются друг в друга или самостоятельно при помощи любого провода с сечением не менее 0,4 мм2. Максимально допустимая длина шлейфа 100 метров.
MP701 Исполнительный элемент (4 независимых канала по 2 кВт 10А)
Количество подключаемых MP701 ограничено только количеством свободных линий OUT. Таким образом, можно подключить один исполнительный элемент.
Цветной шлейф | Клемма |
Зелёный | OUT 1 |
Жёлтый | OUT 2 |
Белый | OUT 3 |
Коричневый | OUT 4 |
Розовый | +5V |
Серый | GND |

Внимание: изделие не содержит защитных предохранителей, соблюдайте осторожность при монтаже! |
Длину кабеля можно увеличить при помощи удлинителей шлейфа датчика RC-4, которые последовательно включаются друг в друга, или самостоятельно при помощи любого провода сечением не менее 0,4 мм2. Максимально допустимая длина шлейфа 100 м.
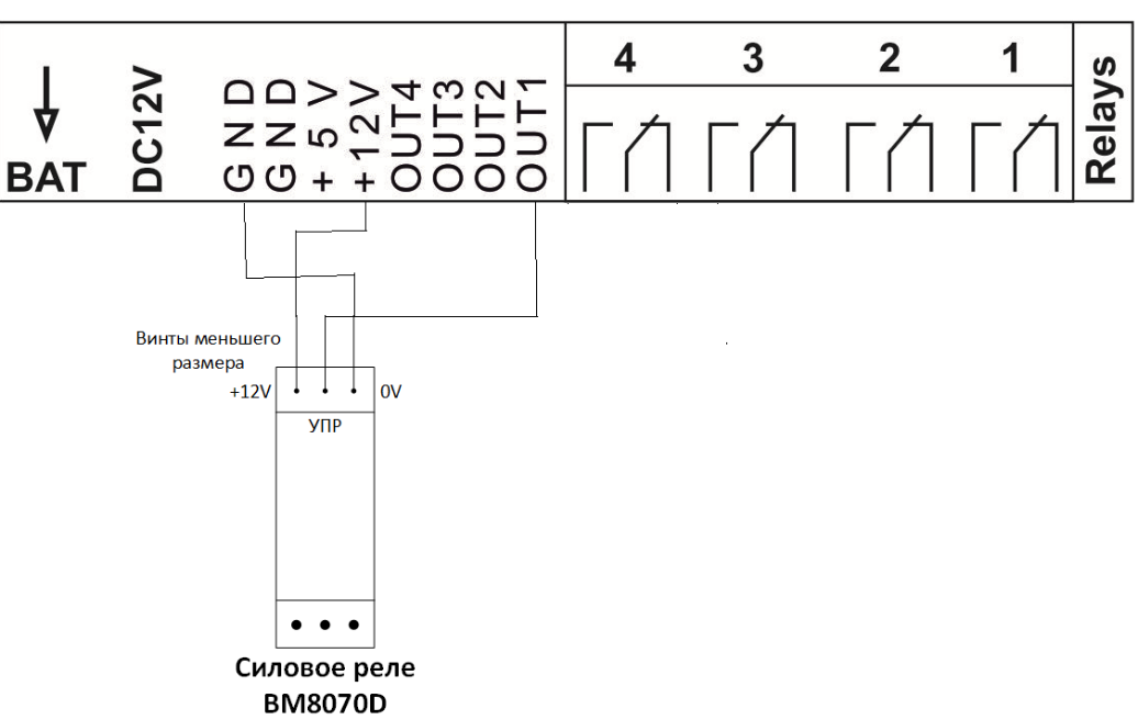
Cиловое реле BM8070D
Управление от OUT линии:
Клемма BM8070D | Клемма |
+12V | +12V |
УПР | Одна из OUT линий – 1 - 4 |
0V | GND |

Датчик идёт в комплекте с несъёмным кабелем с наконечниками на концах. Длину кабеля можно увеличить при помощи удлинителей шлейфа датчика RC-4, которые последовательно включаются друг в друга или самостоятельно при помощи любого провода с сечением не менее 0,4 мм2. Максимально допустимая длина шлейфа 100 метров.
МАЯК-12-СТ
Цветной шлейф | Клемма |
Белый | Одна из OUT линий – 1 - 4 (в режиме «выход», лог. 1) |
Цветной | GND |
Логический уровень на, используемой для питания, будет управлять работой маяка. При лог. 1 — маяк активен, при лог. 0 — маяк выключен.

Так же, сирена может быть подключена через реле — что сэкономит линию вывода.

Датчик идёт в комплекте с несъёмным кабелем с наконечниками на концах. Длину кабеля можно увеличить при помощи удлинителей шлейфа датчика RC-4, которые последовательно включаются друг в друга или самостоятельно при помощи любого провода с сечением не менее 0,4 мм2. Максимально допустимая длина шлейфа 100 метров.
Датчик дыма ИДТ-2 (ИП212/101-18-А3R ) исп.01
Схема подключения
Датчик подключается по четырёхпроводной линии.
Для подключения датчика дыма к контроллеру используйте следующую таблицу соответствия и схему подключения:
Клемма датчика | Клемма NetPing v5 |
1 | GND |
2 | NC (правый контакт реле) |
3 | GND |
4 | Одна из IN линий 1-16 |
| Кабельная перемычка между COM (средний контакт используемого реле) и +12V контроллера |

Количество подключаемых датчиков ИДТ-2 (ИП212/101-18-А3R ) исп.01 не более 8 шт.
Монтажные особенности
Датчик поставляется с отдельным кабелем, оснащённым наконечниками, и подключается пользователем вручную. При необходимости длину кабеля можно увеличить с помощью удлинителей Удлинитель (4м) NetPing, мод. Cable 4, которые допускается соединять последовательно. Также допускается использование пользовательского кабеля сечением не менее 0.4 мм².
Максимально допустимая длина шлейфа — 100 метров.
Сброс состояния датчика
После сработки датчика его состояние не возвращается в норму автоматически.
Сброс выполняется кратковременным отключением питания датчика. Для дистанционного управления питанием следует использовать встроенное реле контроллера.
Отключение питания может быть выполнено:
через web-интерфейс контроллера;
по HTTP API;
по SNMP.
Длительность отключения питания должна быть от 1 до 3 секунд.
Настройка параметров
Настройка параметров датчика осуществляется через web-интерфейс в соответствующем разделе конфигурации.
ВАЖНО
Данное решение предназначено для мониторинга и оповещения. Оно не заменяет сертифицированные системы пожарной сигнализации (АПС).
Датчики дыма, подключённые к контроллерам NetPing, не предназначены для гарантированного обнаружения и своевременного оповещения о возгорании.
Система может не зафиксировать сработку датчика дыма, уведомление может не быть доставлено или оператор может не заметить сообщение (при сработке уведомление отправляется только один раз).
Если датчик сработал, уведомление отправляется только один раз. При его пропуске повторного уведомления не будет.
Для обеспечения противопожарной защиты необходимо использовать сертифицированные системы пожарной сигнализации.