[IO5] 7. Подключение внешних датчиков и исполнительных устройств.
Категорически запрещается подключать датчики и внешние модули к устройствам NetPing при включенном питании!
Конфигурирование устройства и получение уведомлений от датчиков см. в документе «Описание встроенного ПО».
Датчики и устройства модельного ряда 1-wire
Датчики модельного ряда 1-Wire включаются в разъемы 1W вилками RJ12 с возможностью использования удлинителей и разветвителей. Максимальная длина шлейфа 1-Wire сети, подключенного к одному разъему, ограничена 50 метрами. К устройству можно подключить только один датчик температуры.
К датчикам 1-wire относятся:
Датчики типа «Сухой контакт»
К датчикам типа «сухой контакт» относятся датчики открытия двери, кнопки и другие датчики, принцип действия которых основан на замыкании/размыкании проводника. Датчик подключается к линиям In1...2 устройства в соответствии с таблицей. Порядок подключения проводов не имеет значения.
Шлейф | Клемма |
Первый провод | Одна из линий In1...2 |
Второй провод | GND |
Важно! Датчики типа «сухой контакт»: датчик наличия 220 В, датчик протечки и другие подключаются к In1...2. Вы можете подключить 2 любых датчика из этого набора.
Максимально допустимая длина шлейфа 100 метров.
Адаптер для датчика протечки NetPing, мод. WA875
Адаптер не является самостоятельным устройством. Он предназначен для работы совместно с чувствительным кабелем WLC10.
Количество подключаемых адаптеров для датчика протечки NetPing, мод. WA875 ограничено свободными Input-линиями устройства. При подключении ориентируйтесь на цвет термоусадочной трубки на конце провода.
Цветной шлейф | Название контакта |
Черный | GND |
Красный | +12V |
Желтый | Одна из Input линий 1–2 |
При подключении датчика:
"1" — норма;
"0" — тревога.
Адаптер идет в комплекте с соединительным кабелем. Длину кабеля можно увеличить при помощи удлинителей шлейфа датчика RC-4, которые последовательно включаются друг в друга, или самостоятельно при помощи любого провода с сечением не менее 0,4 мм2. Максимально допустимая длина шлейфа 100 метров.

Способ подключения адаптера к кабелю протечки WLC10
Датчик протечки воды H2O
Датчик протечки подключается четырехпроводной линией в соответствии с таблицей:
Цветной шлейф | Клемма |
Зеленый | Одна из линий In1...2 |
Желтый | GND |
Коричневый | +12V |
Белый | GND |
Важно! Датчики типа «сухой контакт»: датчик наличия 220 В, датчик протечки и другие подключаются к In1...2. Вы можете подключить 2 любых датчика из этого набора.
Датчик идет в комплекте с несъемным кабелем с наконечниками на концах. Длину кабеля можно увеличить при помощи удлинителей шлейфа датчика RC-4, которые последовательно включаются друг в друга или самостоятельно при помощи любого провода с сечением не менее 0,4 мм2. Максимально допустимая длина шлейфа — 100 метров.
Датчик наличия электропитания 995S1
Датчик наличия 220 В подключается трехпроводной линией в соответствии с таблицей.

Цветной шлейф | Клемма |
Черный (общий) | GND |
Красный (Н.З.) | Одна из линий In1...2 |
Белый (Н.О.) | Одна из линий IO1...2 |
Важно! Датчики типа «сухой контакт»: датчик наличия 220 В, датчик протечки и другие подключаются к In1...2. Вы можете подключить 2 любых датчика из этого набора.
Датчик идет в комплекте с несъемным кабелем с наконечниками на концах. Длину кабеля можно увеличить при помощи удлинителей шлейфа датчика RC-4, которые последовательно включаются друг в друга или самостоятельно при помощи любого провода с сечением не менее 0,4 мм2. Максимально допустимая длина шлейфа — 100 метров.
Датчики движения Пирон-4Д
Датчик движения подключается четырёхпроводной линией в соответствии с таблицей:
Цветной шлейф | Клемма Пирон-4Д (слева направо при вертикальном расположении сенсором вниз) | Клемма контроллера |
Зеленый | Alarm - 1 | GND |
Белый | Alarm - 2 | IN1 |
Черный | -12 V | GND |
Красный | +12 V | +12 V |
Важно! Количество подключаемых датчиков — не более 2 шт.

Датчик идёт в комплекте с кабелем с наконечниками на концах. Длину кабеля можно увеличить при помощи удлинителей шлейфа датчика RC-4, которые последовательно включаются друг в друга или самостоятельно при помощи любого провода с сечением не менее 0,4 мм2. Максимально допустимая длина шлейфа 100 метров.
Сирена АС-10
Цветной шлейф | Клемма |
Белый | +12 V |
Цветной | Одна из OUT1...2 линий |
Логический уровень на линии OUT, используемой в цепи питания, будет управлять работой сирены. При лог. 1 — маяк активен, при лог. 0 — маяк выключен.

Датчик идет в комплекте с несъемным кабелем с наконечниками на концах. Длину кабеля можно увеличить при помощи удлинителей шлейфа датчика RC-4, которые последовательно включаются друг в друга или самостоятельно при помощи любого провода с сечением не менее 0,4 мм2. Максимально допустимая длина шлейфа — 100 метров.
Датчик воздушного потока (модель АМС520)
Датчик представляет собой «сухой контакт», поэтому порядок подключения проводов не имеет значения. Количество подключаемых датчиков ограничено только количеством свободных линий IO1...2 и I3...4.
Шлейф | Клемма |
Первый провод | Одна из линий IN1...2 |
Второй провод | GND |
В зависимости от того, к какому входу (IN1...2) на клеммной колодке подключен датчик, на том канале IN1...2 он отображается в веб-интерфейсе устройства.
Датчик идет в комплекте с несъемным кабелем с наконечниками на концах. Длину кабеля можно увеличить при помощи удлинителей шлейфа датчика RC-4, которые последовательно включаются друг в друга или самостоятельно при помощи любого провода с сечением не менее 0,4 мм2. Максимально допустимая длина шлейфа — 100 метров.
Cиловое реле BM8070D
Управление от OUT-линии:
Клемма BM8070D | Клемма |
+12 V | +12 V |
УПР | Не задействован |
0V | Одна из OUT1...2 линий |

Длину кабеля можно увеличить при помощи удлинителей шлейфа датчика RC-4, которые последовательно включаются друг в друга или самостоятельно при помощи любого провода с сечением не менее 0,4 мм2. Максимально допустимая длина шлейфа — 100 метров.
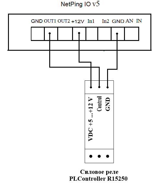
Cиловое реле PLController R15250
Управление от OUT-линии:
Клемма R15250 | Клемма |
VDC +5 ...+12 V | +12 V |
Control | Одна из OUT1...2 линий |
GND | GND |

Длину кабеля можно увеличить при помощи удлинителей шлейфа датчика RC-4, которые последовательно включаются друг в друга или самостоятельно при помощи любого провода с сечением не менее 0,4 мм2. Максимально допустимая длина шлейфа — 100 метров.
МАЯК-12-СТ
Цветной шлейф | Клемма |
Цветной | Одна из OUT1...2 линий |
Белый | +12 V |
Логический уровень на линии, используемой в цепи питания, будет управлять работой маяка. При лог. 1 — маяк активен, при лог. 0 — маяк выключен.

Датчик идет в комплекте с несъемным кабелем с наконечниками на концах. Длину кабеля можно увеличить при помощи удлинителей шлейфа датчика RC-4, которые последовательно включаются друг в друга или самостоятельно при помощи любого провода с сечением не менее 0,4 мм2. Максимально допустимая длина шлейфа — 100 метров.