[708G06] 9. Подключение внешних датчиков и исполнительных устройств
Внимание! Категорически запрещается подключать датчики и внешние модули к устройству NetPing GSM Gateway 708G06 при включенном питании!
Конфигурирование устройства и настройка получения уведомлений от датчиков см. в документе «Описание встроенного ПО».
Датчики 1-wire
Датчики модельного ряда 1-Wire подключаются в разъемы 1W вилками RJ12 с возможностью использования удлинителей и разветвителей. Максимальная длина шлейфа 1-Wire сети, подключенного к одному разъему, ограничена 50 метрами. К устройству можно подключить до четырех датчиков 1-Wire.
Поддерживаются следующие датчики 1-Wire:
Внимание! Подключение нескольких датчиков 1-Wire допускается только через пассивные разветвители. Использование активных удлинителей-разветвителей (например, NetPing удлинитель-разветвитель 1-wire на 5 портов, модель R912R1 ) не поддерживается!
Датчики типа «сухой контакт»
Внимание! На линиях ввода/вывода устройства (IO1–IO4) в режиме «выход» — 12 В, до 200 мА. При неправильном их использовании подключенное оборудование может выйти из строя.
Количество подключаемых датчиков типа «cухой контакт» ограничено свободными IO-линиями устройства и суммарным током потребления датчиков, если им требуется дополнительное питание.
Если датчику необходимо дополнительное питание +12 В, то можно использовать одну из линий ввода/вывода в режиме «выход». Тем самым будет возможность управления питанием датчика при помощи логического уровня на линии. Это может быть полезно, например, в случае использования датчиков, тревога которых сбрасывается снятием питания.
Если заводской длины шлейфа датчика не хватает, ее можно увеличить при помощи Удлинителей (4м) NetPing, мод. Cable 4, которые последовательно включаются друг в друга, или самостоятельно при помощи любого провода с сечением не менее 0,4 мм2.
Максимально допустимая длина шлейфа — 100 метров.
Важно! Соответствующая IO-линия, к которой подключается сигнальный провод от датчика, должна быть переведена в режим «вход» в настройках устройства.
Двухпроводные датчики
Датчики и иные источники сигнала, которым не требуется дополнительное питание или они запитаны от иных источников питания и оно развязано с сигнальной линией, подключаются к клеммам IO и GND устройства. Полярность подключения не важна, если иное прямо не указано в документации к датчику.
К таким датчикам относятся:
и другие.
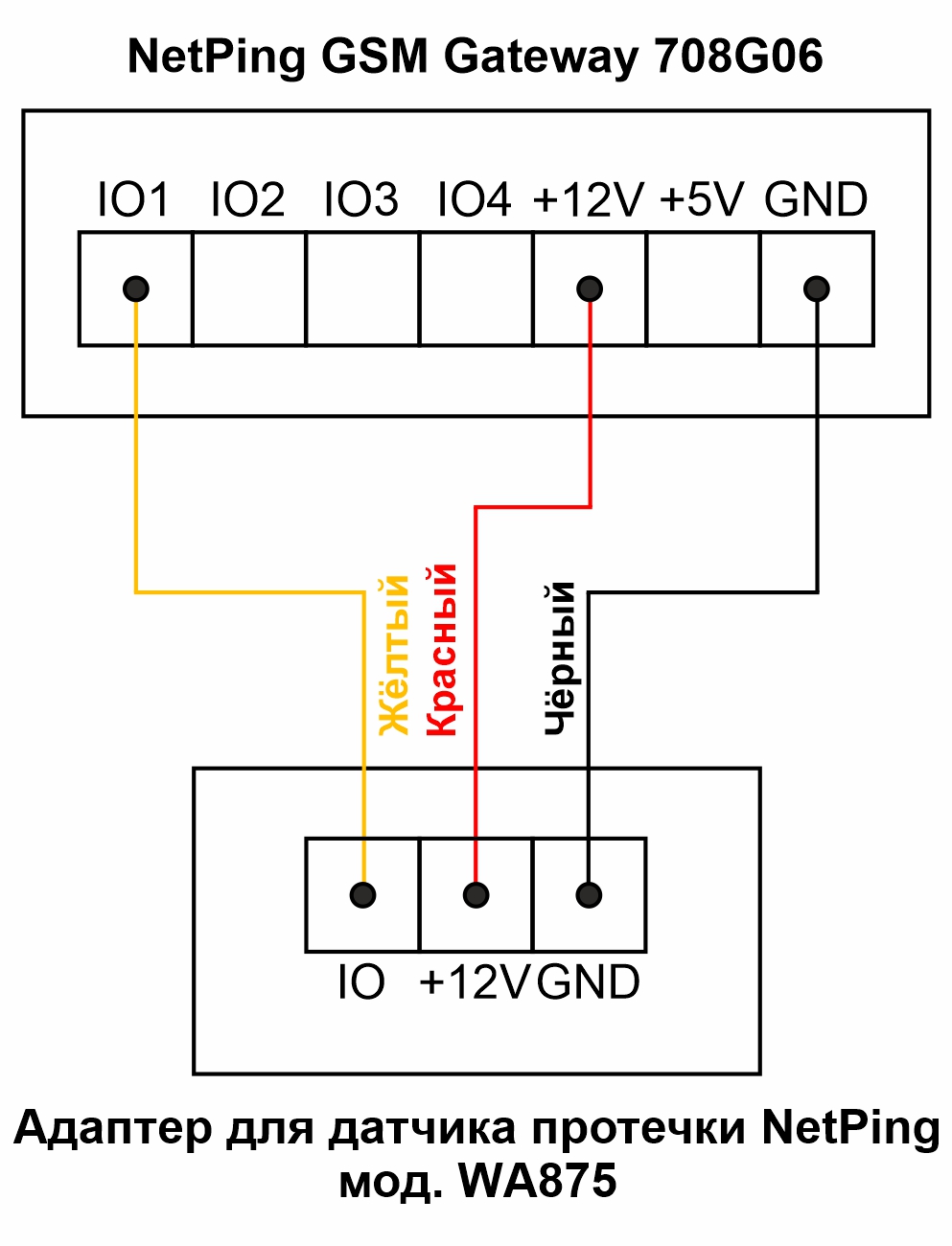
Адаптер для датчика протечки NetPing, мод. WA875
Адаптер не является самостоятельным устройством. Он предназначен для работы совместно с чувствительным кабелем WLC10.
При подключении адаптера:
Состояние «1» на IO-линии — норма.
Состояние «0» на IO-линии — тревога.

Рис.9.1. Схема подключения адаптера для датчика протечки NetPing, мод. WA875
Цветной шлейф | Название контакта |
|---|---|
Черный | GND |
Красный | +12V |
Желтый | Одна из IO-линий 1–4 |
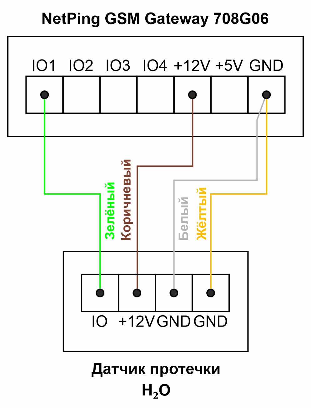
Датчик протечки H2O
При подключении датчика:
Состояние «0» на IO-линии — норма.
Состояние «1» на IO-линии — тревога.

Рис.9.2. Схема подключения датчика протечки H2O
Шлейф | Клемма NetPing GSM Gateway 708G06 |
Зеленый | Одна из IO-линий 1–4 |
Желтый | GND |
Коричневый | +5 В или +12 В |
Белый | GND |
Датчик движения Пирон-4Д
При подключении датчика:
Состояние «0» на IO-линии — норма.
Состояние «1» на IO-линии — тревога.

Рис.9.3. Схема подключения датчика движения Пирон-4Д
Цветной шлейф | Клемма Пирон-4Д (слева направо при вертикальном расположении сенсором вниз) | Клемма NetPing GSM Gateway 708G06 |
Зеленый | Alarm - 1 (ШС) | Одна из IO-линий 1-4 |
Белый | Alarm - 2 (ШС) | GND |
Черный | -12 V | GND |
Красный | +12 V | +12 V |
Пожарный извещатель ИДТ-2 (ИП212/101-18-А3R ) Исп.01
Внимание! Пожарный извещатель ИДТ-2 (ИП212/101-18-А3R) исп.01 можно подключать к устройству только в режиме мониторинга! Для отправки уведомлений о наличии дыма и критической ситуации в помещении используйте специализированные пожарно-охранные системы.
Максимальное количество извещателей, подключаемых независимыми каналами к линиям входа с кабелем 100 м и сечением 0.4 мм2 (питание общее от контроллера с коммутацией +12В через встроенное реле) - 4 шт.
Состояние «1» на IO-линии — норма.
Состояние «0» на IO-линии — тревога.
Возврат извещателя в дежурный режим производится отключением питания (включением встроенного реле) на время от одной до трёх секунд.

Рис.9.4. Схема подключения пожарного извещателя
ИДТ-2 (ИП212/101-18-A3R) исп.01
Клемма ИДТ-2 | Клемма/реле NetPing GSM Gateway 708G06 |
1 | GND |
2 | Контакт 1 встроенного реле |
3 | GND |
4 | Одна из IO-линий 1–4 |
Контакт 2 встроенного реле соединить с клеммой +12 В |
Исполнительные устройства
Внимание! На линиях ввода/вывода устройства (IO1–IO4) в режиме «выход» — 12 В, до 200 мА. При неправильном их использовании подключенное оборудование может выйти из строя.
Количество исполнительных устройств ограничено свободными IO-линиями устройства и суммарным током потребления устройств в активном режиме.
Если заводской длины шлейфа не хватает, ее можно увеличить при помощи Удлинитель (4м) NetPing, мод. Cable 4, которые последовательно включаются друг в друга, или самостоятельно при помощи любого провода с сечением не менее 0,4 мм2.
Максимально допустимая длина шлейфа 100 метров.
Важно! Соответствующая IO-линия, которая управляет исполнительным устройством, должна быть переведена в режим «выход» в настройках устройства.
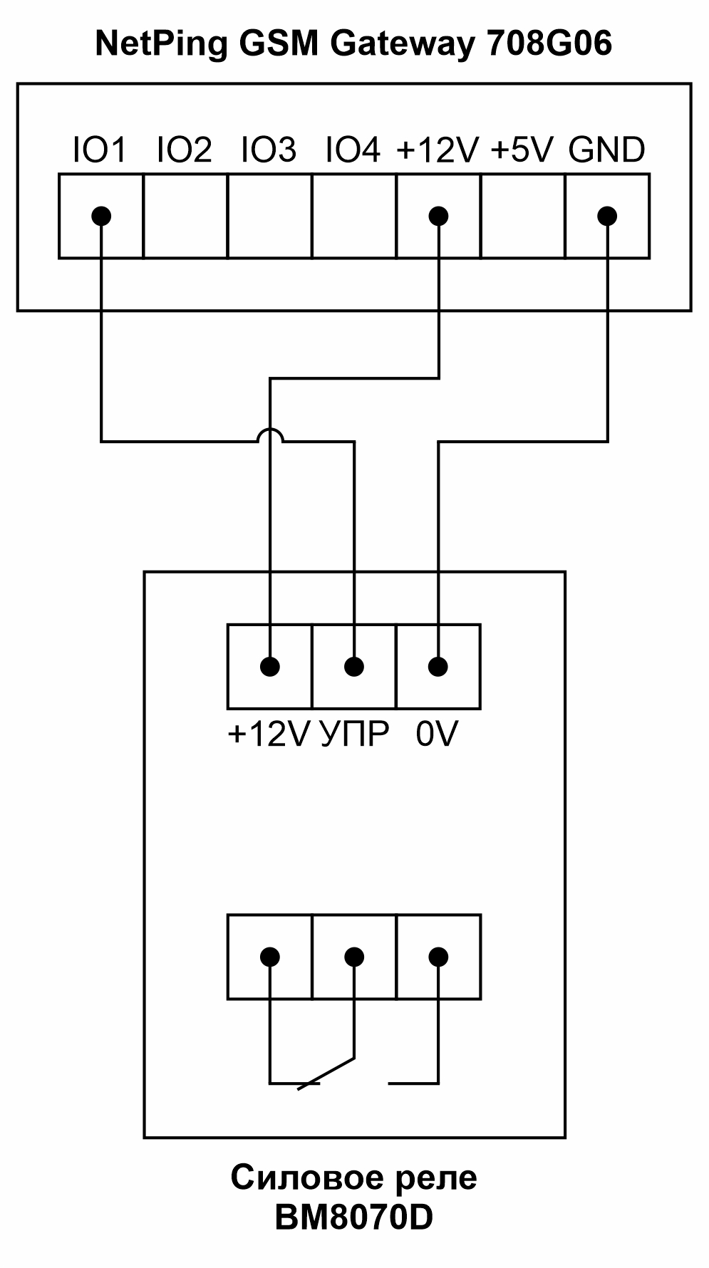
BM8070D Силовое реле 16А/250В на DIN-рейку
Реле срабатывает при состоянии «0» на IO-линии.

Рис.9.5. Схема подключения BM8070D
Силового реле 16А/250В на DIN-рейку
Реле | Клемма NetPing GSM Gateway 708G06 |
+12 В | +12 В |
УПР | Одна из IO-линий 1–4 |
0 В | GND |
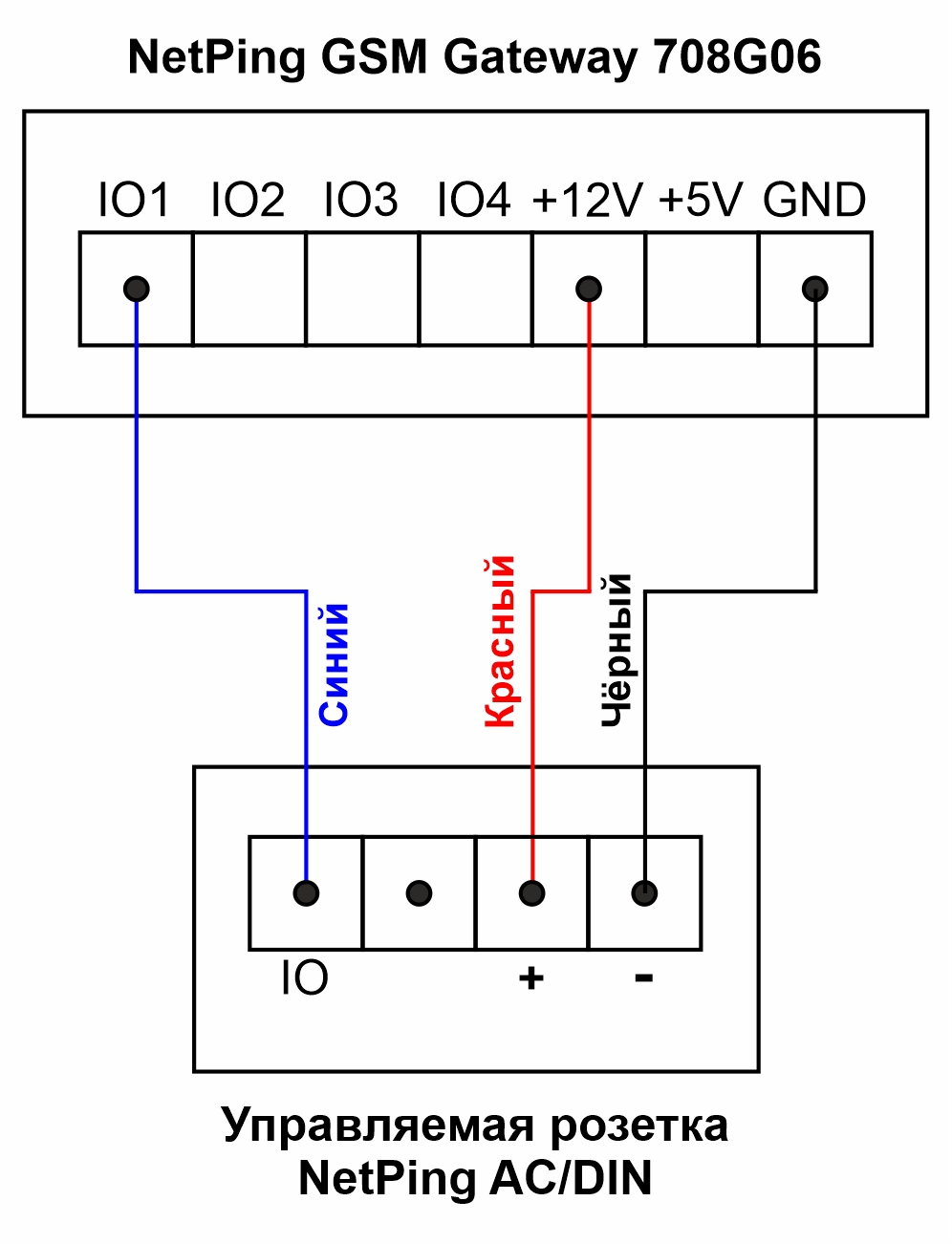
Управляемая розетка, мод. NetPing AC/DIN
Вариант 1. При состоянии «0» на IO-линии напряжение 220В будет присутствовать на розетке, нагрузка будет включена. При состоянии «1» на IO-линии розетка будет обесточена, нагрузка выключена.

Рис.9.6. Схема подключения управляемой розетки,
мод. NetPing AC/DIN (вариант 1)
Шлейф | Клемма NetPing GSM Gateway 708G06 |
Красный | +12 В |
Черный | GND |
Синий (зеленый) | Одна из IO-линий 1–4 |
Коричневый (белый) | Не используется и должен остаться не подключенным. |
Вариант 2. При состоянии реле «Выключено» напряжение 220В будет присутствовать на розетке, нагрузка будет включена. При состоянии реле «Включено» розетка будет обесточена, нагрузка выключена.

Рис.9.7. Схема подключения управляемой розетки,
мод. NetPing AC/DIN (вариант 2)
Шлейф | Клемма NetPing GSM Gateway 708G06 |
Красный | +12 В |
Черный | GND |
Синий (зеленый) | Контакт 3 встроенного реле |
Коричневый (белый) | Не используется и должен остаться не подключенным. |
Контакт 2 встроенного реле соединить с клеммой +12 В |
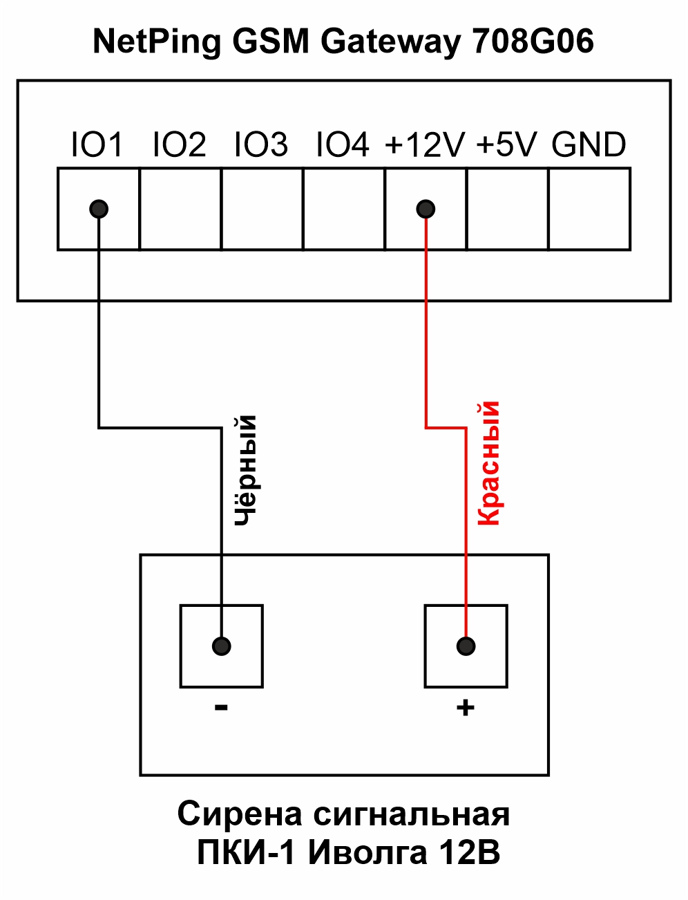
Сирена сигнальная ПКИ-1 Иволга 12В
Вариант 1. Питание берется с клеммы +12В. Сирена активирована при состоянии «0» на IO-линии.

Рис.9.8. Схема подключения сирены сигнальной
ПКИ-1 Иволга 12В (вариант 1)
Шлейф | Клемма NetPing GSM Gateway 708G06 |
Чёрный | Одна из IO-линий 1–4 |
Красный | +12 В |
Вариант 2. Питание берется с клеммы IO-линии в режиме «выход». Сирена активирована при состоянии «1» на IO-линии.

Рис.9.9. Схема подключения сирены сигнальной
ПКИ-1 Иволга 12В (вариант 2)
Шлейф | Клемма NetPing GSM Gateway 708G06 |
Красный | Одна из IO-линий 1–4 |
Чёрный | GND |
Вариант 3. Питание берется с клеммы +12В через реле. Сирена активирована при состоянии реле «Включено».

Рис.9.10. Схема подключения сирены сигнальной
ПКИ-1 Иволга 12В (вариант 3)
Шлейф | Клемма NetPing GSM Gateway 708G06 |
Красный | Контакт 3 встроенного реле |
Чёрный | GND |
Контакт 2 встроенного реле соединить с клеммой +12 В |
Световой оповещатель охранно-пожарный с функцией мигания МАЯК-12-СТ
Вариант 1. Питание берется с клеммы +12В. «Маяк» активирован при состоянии «0» на IO-линии.

Рис.9.11. Схема подключения светового оповещателя охранно-пожарного с функцией мигания МАЯК-12-СТ (вариант 1)
Шлейф | Клемма NetPing GSM Gateway 708G06 |
Цветной | Одна из IO-линий 1–4 |
Белый | +12 В |
Вариант 2. Питание берется с клеммы IO-линии в режиме «выход». «Маяк» активирован при состоянии «1» на IO-линии.

Рис.9.12. Схема подключения светового оповещателя охранно-пожарного с функцией мигания МАЯК-12-СТ (вариант 2)
Шлейф | Клемма NetPing GSM Gateway 708G06 |
Белый | Одна из IO-линий 1–4 |
Цветной | GND |
Вариант 3. Питание берется с клеммы +12В через реле. «Маяк» активирован при состоянии реле «Включено».

Рис.9.13. Схема подключения светового оповещателя охранно-пожарного с функцией мигания МАЯК-12-СТ (вариант 3)
Шлейф | Клемма NetPing GSM Gateway 708G06 |
Белый | Контакт 3 встроенного реле |
Чёрный | GND |
Контакт 2 встроенного реле соединить с клеммой +12 В |