[4PWRv8] 9. Использование IO-линий в режиме «выход» для управления внешними устройствами
Внимание! На линиях ввода/вывода устройства (IO1-IO6) в режиме «выход» 12 В, до 250 мА. При неправильном их использовании подключенное оборудование может выйти из строя.
Линии Input-Output (IO) устройства могут использоваться для работы как в режиме «вход», так и в режиме «выход» для управления внешними устройствами.
Устройство имеет шесть IO-линий, соответствующих контактам IO 1 — IO 6 клеммной колодки. Конфигурирование IO-линий для работы на «вход» или «выход» производится через управляющий веб-интерфейс устройства либо при помощи URL-encoded-команд. Все шесть IO-линий могут быть настроены независимо друг от друга.
Управление IO-линиями может осуществляться посредством SNMP-команд, URL-encoded-команд, через веб-интерфейс или посредством SMS-команд.
Такие функции устройства, как сторожевой таймер и управление нагрузками по расписанию, НЕДОСТУПНЫ для IO-линий в режиме «выход».
Примеры использования:
удаленная перезагрузка серверов — имитация нажатия кнопки Reset;
удаленное управление сиреной, освещением, вентилятором;
управление электрозамком, электроворотами на удаленном объекте;
управление элементами «умного дома»: полив растений, открытие-закрытие жалюзи, водяной насос, отопительный котел, электронагреватели и другое;
удаленное управление энергоустановкой (дизель-генератор, бензогенератор);
интеграция в охранные системы и эмуляция сработки датчика.
Важно! Требуется правильное электрическое согласование IO-линий при подключении внешних исполнительных устройств.
Важно! Линии IO не имеют гальванической развязки с устройством! При использовании реле, коммутирующих цепи 220 В, помните об электробезопасности. Все работы должны проводиться специалистами, имеющими соответствующую квалификацию и допуск к работе с данным напряжением.
Допустимо использование промежуточных реле с напряжением питания от внешнего источника 12 В. Для подключения к IO-линиям может использоваться управляемая розетка NetPing AC/DIN socket. Также можем посоветовать готовые сборки реле, которые можно подключить к нашим устройствам:
BM8070D Силовое реле 16А/250В на DIN-рейку (смотрите совместимость этого реле с моделью NetPing устройства на странице реле сайта);
MP701 Исполнительный элемент (4 независимых канала по 2 кВт 10А) (смотрите совместимость этого реле с моделью NetPing устройства на странице реле сайта).
Для получения более детальной информации обращайтесь в службу технической поддержки support@netping.ru
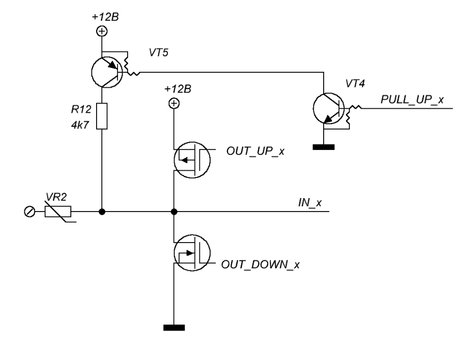
Электрические параметры IO-линий
В режиме «выход»:
напряжение логической «1»: pull-up +12 В, до 200 мА;
напряжение логического «0»: 0 В, до 200 мА.
В режиме «вход»:
напряжение логической «1»: > 8,2 В;
напряжение логического «0»: < 3,5 В.
Эквивалентная схема
