[2PWRv32/33] 8. Подключение внешних датчиков и исполнительных устройств
Категорически запрещается подключать датчики и внешние модули к устройствам NetPing при включенном питании!
Конфигурирование устройства и получение уведомлений от датчиков см. в документе «Описание встроенного ПО».
Описание контактов
Для удобства подключения датчиков к устройству используется клеммная колодка. Для закрепления проводов в колодке используйте шлицевую отвертку с шириной шлица 2,5 мм. Распиновка контактов на клеммной колодке следующая:

Контакт | Описание |
I1-I4 | IO-линия 1–4 |
SC | Контакты цифровой шины i2C, линия синхронизации |
SD | Контакты цифровой шины i2C, линия данных |
+ | Напряжение питания +5 В |
G | Земля (общий) |
Подключение датчиков и устройств к шине i2C
Устройства и датчики к i2C-шине подключаются по 4-проводной схеме. Цвет проводов шлейфа идентичен для всех датчиков и устройств, выпускаемых ООО «Алентис Электроникс».
Поддерживается подключение только датчиков и устройств собственной разработки, к ним относятся:
Датчик температуры Т811 — до 8 шт.;
Датчик влажности WS-2 — 1 шт.;
IRC-TR v2 — 1 шт.;
Датчик идет в комплекте с несъёмным кабелем с наконечниками на концах. Длину кабеля можно увеличить при помощи удлинителей шлейфа датчика RC-4, которые последовательно включаются друг в друга или самостоятельно при помощи любого провода с сечением не менее 0,4 мм2. Максимально допустимая длина шлейфа 10 метров от каждого датчика до устройства (топология «звезда»).
Все датчики и устройства подключаются параллельно друг другу в те же клеммники по следующей схеме:
Шлейф датчика/устройства | Клемма устройства |
Желтый | SC |
Зеленый | SD |
Красный | + |
Черный | G |

Важно! К устройству нельзя подключать термодатчики с одинаковыми номерами (ID).
Установите каждому термодатчику свой номер при помощи переключателей на плате датчика. Для установки переключателей снимите верхнюю крышку датчика.
В зависимости от ID термодатчик будет отображаться на соответствующем канале в web-интерфейсе устройства.

Датчики типа «Сухой контакт»
Внимание! На линиях ввода/вывода устройства (IO1-IO4) в режиме «выход» 12 В, до 200 мА. При неправильном их использовании подключенное оборудование может выйти из строя.
Количество подключаемых датчиков типа «cухой контакт» ограничено свободными IO-линиями устройства и суммарным током потребления датчиков, если им требуется доп. питание.
Если датчику необходимо доп. питание +12 В, нужно использовать одну из линий ввода/вывода в режиме «выход». Тем самым дополнительно появляется возможность управления питанием датчика при помощи логического уровня на линии. Это может быть полезно, например, в случае использования датчиков, тревога которых сбрасывается снятием питания.
Если заводской длины шлейфа не хватает, ее можно увеличить при помощи удлинителей шлейфа датчика RC-4, которые последовательно включаются друг в друга, или самостоятельно при помощи любого провода с сечением не менее 0,4 мм2.
Максимально допустимая длина шлейфа 100 метров.
Важно! Соответствующая IO-линия, к которой подключается сигнальный провод от датчика, должна быть переведена в режим «вход» в настройках устройства.
Двухпроводные датчики
Датчики и иные источники сигнала, которым не требуется доп. питание или они запитаны от иных источников питания и оно развязано с сигнальной линией, подключаются к клеммам IO и GND устройства. Полярность подключения важна, если иное прямо не указано в документации к датчику.
К таким датчикам относятся:
NetPing датчик наличия электропитания 995S1 (у датчика выведены Н.З. и Н.О. контакты (всего 3 провода) — подробней см. в документации на датчик);
Адаптер для датчика протечки NetPing, мод. WA875
Адаптер не является самостоятельным устройством. Он предназначен для работы совместно с чувствительным кабелем WLC10.
При подключении ориентируйтесь на цвет термоусадочной трубки на конце провода.
Цветной шлейф | Название контакта |
|---|---|
Жёлтый | I1 |
Красный | I2 (контакт в режиме «выход») |
Чёрный | GND |
Количество подключаемых датчиков — не более 3 шт (одна линия IO (в примере выше это линия I2) используется как источник питания +12 В).
Соответствующая IO линия (куда подключается жёлтый провод) должна быть переведена в режим «вход» в настройках устройства.
При подключении адаптера:
«1» — норма;
«0» — тревога.
Адаптер идет в комплекте с 2-метровым соединительным кабелем. Длину кабеля можно увеличить при помощи удлинителей шлейфа датчика RC-4, которые последовательно включаются друг в друга, или самостоятельно при помощи любого провода с сечением не менее 0,4 мм2. Максимально допустимая длина шлейфа 100 метров.

Способ подключения адаптера к кабелю протечки WLC10
Датчик протечки H2O
Шлейф датчика | Клемма устройства |
Зеленый | I1-I4 |
Желтый | G |
Коричневый | + |
Белый | G |

Датчики движения Пирон-4Д
Датчик движения подключается четырёхпроводной линией в соответствии с таблицей:
Цветной шлейф | Клемма Пирон-4Д (слева направо при вертикальном расположении сенсором вниз) | Клемма контроллера |
Зеленый | Alarm - 1 | I1 |
Белый | Alarm - 2 | G |
Черный | -12 V | G |
Красный | +12 V | I2 |
Важно!
Количество подключаемых датчиков — не более 3 шт (одна линия IO используется как источник питания +12 В).

Датчик идёт в комплекте с кабелем с наконечниками на концах. Длину кабеля можно увеличить при помощи удлинителей шлейфа датчика RC-4, которые последовательно включаются друг в друга или самостоятельно при помощи любого провода с сечением не менее 0,4 мм2. Максимально допустимая длина шлейфа 100 метров.
Исполнительные устройства
Внимание! На линиях ввода/вывода устройства (IO1-IO4) в режиме «выход» 12 В, до 200 мА. При неправильном их использовании подключенное оборудование может выйти из строя.
Количество исполнительных устройств ограничено свободными IO-линиями устройства и суммарным током потребления устройств в активном режиме.
Если устройству необходимо питание +12 В, используется одна из линий ввода/вывода в режиме «выход».
Если заводской длины шлейфа не хватает, ее можно увеличить при помощи удлинителей шлейфа датчика RC-4, которые последовательно включаются друг в друга, или самостоятельно при помощи любого провода с сечением не менее 0,4 мм2.
Максимально допустимая длина шлейфа — 100 метров.
Важно! Соответствующая IO-линия, которая управляется исполнительным устройством, должна быть переведена в режим «выход» в настройках устройства.
MP701 Исполнительный элемент (4 независимых канала по 2 кВт 10А)
Количество подключаемых MP701 ограничено только количеством свободных линий IO. Таким образом, можно подключить один исполнительный элемент.
Внимание: изделие не содержит защитных предохранителей, соблюдайте осторожность при монтаже!
Шлейф блока реле | Клемма устройства |
Зеленый | I1-I4 |
Желтый | I1-I4 |
Белый | I1-I4 |
Коричневый | I1-I4 |
Розовый | +5 В |
Серый | GND |

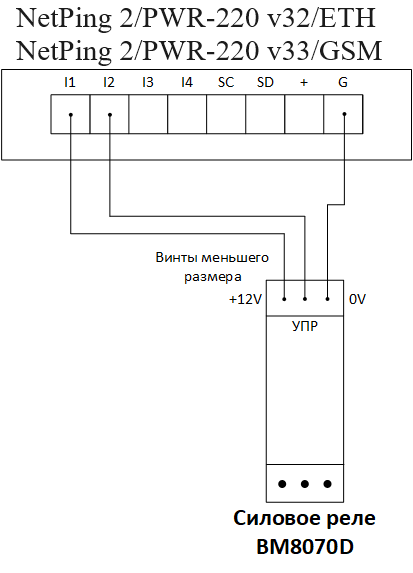
Силовое реле BM8070D
Клемма реле | Клемма устройства |
+12 В | +12 В (I1-I4 в режиме «выход», лог. 1) |
УПР | I1-I4 |
0В | GND |

Сирена АС-10
Провод сирены | Клемма устройства |
Белый | +12 В (I1-I4 в режиме «выход», лог. 1) |
Цветной | GND |
Логический уровень на линии в режиме «выход», используемой для питания, будет управлять работой сирены. При лог. 1 — сирена активна, при лог. 0 — сирена выключена.

Маяк 12-СТ
Белый | +12 В (I1-I4 в режиме «выход», лог. 1) |
Цветной | GND |
Логический уровень на линии в режиме «выход», используемой для питания, будет управлять работой маяка. При лог. 1 — маяк активен, при лог. 0 — маяк выключен.

Розетка NetPing AC/DIN
Шлейф розетки | Клемма устройства |
Красный | +5 В |
Чёрный | GND |
Синий (зелёный) | I1-I4 |
Коричневый (белый) | - |
Для коммутации нагрузки в NetPing AC/DIN используется реле с нормально замкнутыми контактами. Это означает, что, если управляющий провод никуда не подключен, 220 В будет присутствовать на розетке и нагрузка будет включена.
При состоянии «лог. 0» на управляющей IO-линии на выходе розетки будет присутствовать 220 В, нагрузка будет включена. При состоянии «лог. 1» розетка будет обесточена, нагрузка выключена.
Важно! Коричневый (белый) провод не используется и должен остаться неподключенным!
